首页
题库
网课
在线模考
桌面端
登录
搜标题
搜题干
搜选项
0
/ 200字
搜索
单项选择题
下列的HTML中哪个可以插入一条水平线?
A.br
B.hr
C.break
D.P
点击查看答案&解析
在线练习
手机看题
你可能感兴趣的试题
判断题
通告的正文根据内容的需要,既可采用条款式写法也可采用段落式写法。
答案:
正确
点击查看答案&解析
手机看题
单项选择题
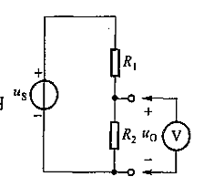
如图所示,us=50V,R1=2kΩ,R2=8kΩ,现用电压表量程为50V,灵敏度为1000Ω/V(即每伏量程电压表相当于1000Ω的电阻),则测量的u0为( )(小数点后保留两位)
A.38.76V
B.-40V
C.40.00V
D.20V
点击查看答案&解析
手机看题
微信扫码免费搜题